[ Home ]
Business Page Link CTR Engineering, Inc
Also see:
AL811, AL811H, AL572, other amps trouble shooting guide
811A Tube History and Construction
The older AL811H (prior to drive resistor modification) with good tubes and stable power line, when properly tuned and operating in the linear region, has about 11 dB gain. This is an amplification of about twelve times. With 60 watts of drive power, output is 720 watts. The power gain is slightly higher on SSB than on carrier or high average power modes, but the gain will be reasonably close on all bands. The largest single problem with significantly greater or less gain (power output) is a poorly calibrated power meter. A mismatched antenna or load can falsely increase power readings.
| Note: If you tune the amplifier at reduced drive power, gain increases. |
The following is typical measured gain of an early (pre-2011) unmodified with good tubes at 7 MHz with carrier power. Gain is slightly higher on SSB or low duty cycle, because anode voltage is slightly higher. Units containing the shunt 200-ohm resistor require about 20% more drive. HV is 1500 volts at full load:
| Drive watts old style |
Drive watts new style |
Power Output watts |
| 20 | 27 | 250 |
| 35 | 42 | 440 |
| 50 | 60 | 615 |
| 65 | 75 | 715 |
| 75 | 90 | 750 |

AL811H, highest peak power, in sidebands with normal voice modulation at 700 watts PEP with fresh tubes on worse band, ten meters.
Next channel up, strongest peak is about -34 dB compared directly to voice channel median power level.
LSB is about -32 dB, not much different than the barefoot transmitter.
Properly tuned with good tubes, the AL811H adds negligible bandwidth to a typical radio's SSB signal, even on the worse-case band.
This performance can be improved with a TOF module.
Some AL-811 Myths on Internet
There is some history of the 811A tube at this link.
A few common but false myths are:
811 tubes are critical for grid current
Factually, the largest number of field failures are damage to anodes from excessive anode heating and low filament emission from poor tube manufacturing quality. Grid related failures are nearly non-existent. The most common cause of operational or customer induced tube failure is excessive anode dissipation over time. Heat is a function of duty cycle and short term average dissipation. The 30-second or longer time-period dissipation (dissipation is not the same as output power) must be kept below 60 watts. For short periods (IVS service) dissipation can be much higher.
Life of 811 tubes will be extended by less anode voltage
Anode voltage, within reasonable limits, has nothing to do with tube life or tube arcing. Virtually no tube failures relate to anode voltage.
Life of 811 tubes are extended by more airflow
811 tubes are designed to be natural convection cooled. Anodes, which produce most of the heat, and the other heat sources are inside a sealed glass envelope in a vacuum. There is very little heat conduction to the envelope. The vast majority of heat is removed via infrared radiation and radiated to tube surroundings. The only thing the air does is cool the glass enough to prevent damage to seals or the glass envelope itself. External airflow does not measurably improve anode cooling, and anode temperature is the limiting parameter. See his link...airflow temperature measurements
Absolutely true, if you consider operation in ICAS or CCS and not IVS (intermittent voice service). Keep in mind however the 811H does not "push" the tubes any "harder" than Collins did in the 30L1, or Heath did in the Warrior. It has been a long standing tradition to run 811 tubes at about 250 watts dc plate input, which is about 150-175 watts RF on the anode, per tube. This is why the Collins 30L1 was marketed as a "kilowatt" amplifier, which is over 600 watts output carrier.
The problem is not exceeding the 65-watt dissipation for short periods, the problem is exceeding it with enough duty cycle to overheat the anode. The most common problem today by far, excluding operator error, is quality and design of tubes. Please read about how the 811 tube got better, and then worse, with design evolutions.
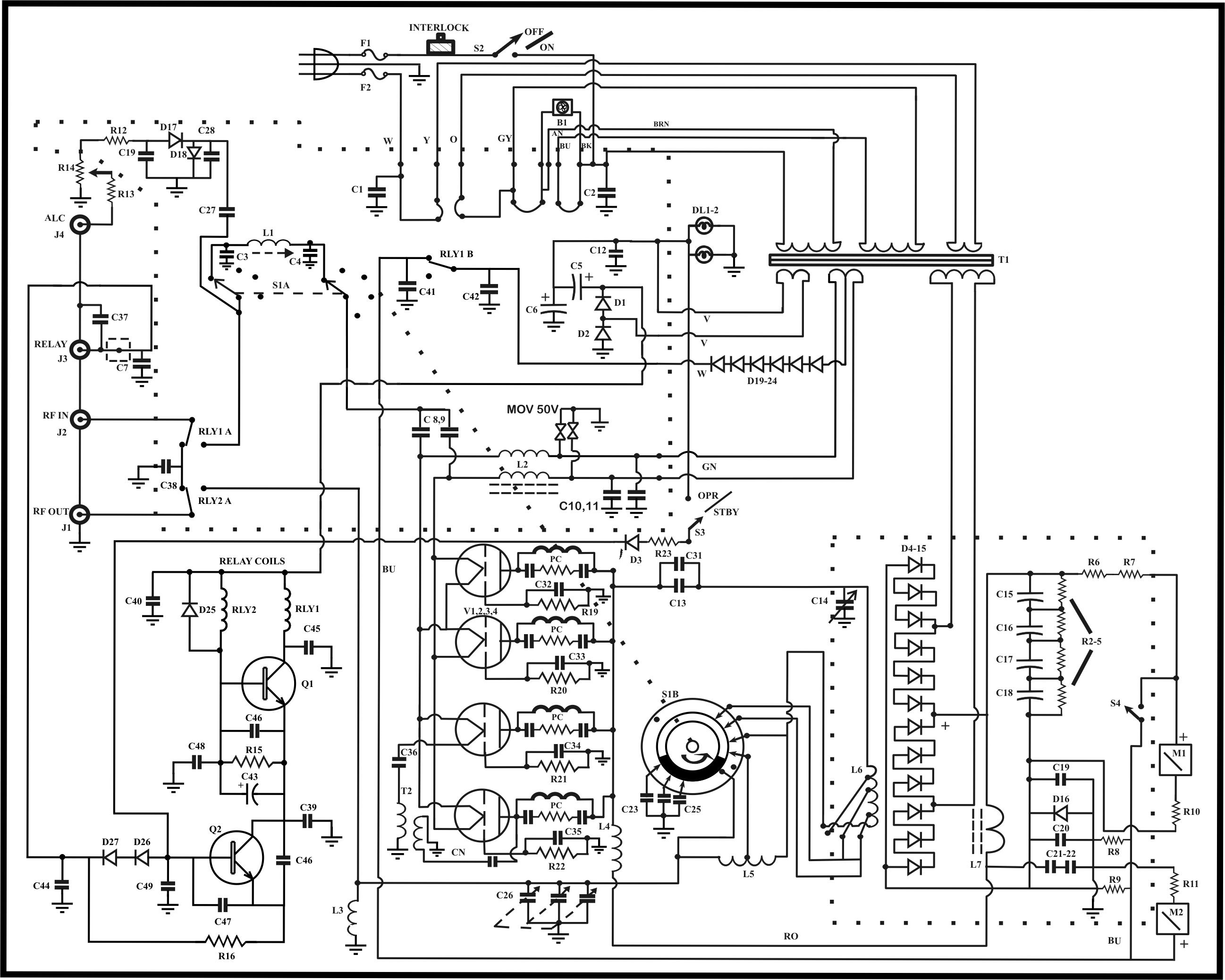
Below, hand drawn schematic early AL811H

New metering schematic:


Meter protection diode D16 is the unlabeled small black diode near C23. It protects the meters in the event of an arc. If D16 fails from an arc, the grid and plate current meters will track. The grid meter will no longer read grid current and the plate current meter will no longer read plate current. They each will read a combination of plate and grid currents. This diode can be replaced with any 1 to 5 amp silicon power rectifier diode that physically fits.
Design History
I designed the AL811 series amplifiers in the late 1980's or early 1990's. The original concept by marketing was a cheap, two-tube amplifier, but I convinced marketing that the life of two tubes would be far too short. I talked them into a bare bones minimum three tube amp, and a slightly more refined four-tube amp. Amazingly, the 811H has become the largest selling amplifier in the world! This is largely due to the limited budget of most Hams, and the large power increase per dollar investment.
I was also involved in several Heathkit designs, including a Warrior II that fell fate to Heathkit's exit from the amateur market. I still have a few original prototypes of the Heathkit amplifiers.
Similar Amps
The Heathkit Warrior, Gonset 811 amp, and Collins 30L1 are all amps using four 811A tubes. All of these amps, like the AL811H, push the 811 tubes pretty hard. They are all rated at a kilowatt dc plate input on CW, as is the AL811H. This is about 600 watts carrier or PEP CW output power.
Of the above amplifiers, the Collins 30L1 is actually the least stable design. Heathkit, Gonset, and Ameritron were wise enough to add neutralization but Collins did not. The result is that the Collins 30L1 was plagued with a series of stability mods throughout production, and even the final production units are not unconditionally stable.
The three tube AL811, like the Collins 30L1, is not neutralized. Because the AL811 uses three tubes and directly grounds the grids, the AL811 (with only three tubes and directly grounded grids) has less feedback capacitance than the Collins and is not as unstable as the 30L1. The AL811H, with neutralization and other necessary additions, is a much more stable and repeatable design.
Tube Rating
Nearly ALL tube failures are related to excessive dissipation by improper tuning or operating, or by simple tube manufacturing defects. I have actually seen brand new 811 tubes with fingerprints inside the envelope! Tube quality control is nothing like it was, but at least the tubes are inexpensive.
The 811A tube has a rated dissipation of 65 watts. Please read the link to understand the complexity of dissipation ratings for various modes. 65-watts is the ICAS (intermittent commercial and amateur service) 811A tube rating. Because anode dissipation limits are greatly exceeded in normal IVS (intermittent voice service) and CW operation, as they historically have been in every amateur amplifier, the operator has to be very careful with tuning and duty cycle. While a few people are critical of the AL811 operation, every 811 amplifier throughout history has pushed 811's a similar amount. Ameritron actually pushes the 811 tube no more than Collins or Heathkit did, both of whom allowed 1000 watts dc input on CW. I recommend a TOF circuit to help monitor proper operation. This circuit gives a visual warning of excessive grid current or improper tuning. It eliminates the need to check grid current with a steady carrier, and gives a running warning of tuning and drive conditions that cause splatter.
Amateur use is generally not commercial service, and this is why everyone from Collins to Gonset to Heath, and even ARRL Handbook articles, have pushed 811 tubes. The reasons the tubes can be pushed are low tube cost and, even when pushed, IMD (splatter or distortion) performance stays well within acceptable limits. The 811A tube is the transmitting tube equivalent of the "sweep tube" commonly used in the 60's. It is just a bit more rugged and significantly cleaner than a sweep tube.
On voice emission tests, using peak power taken over long periods of swept peak storage, peak sideband voice IMD is around -34 dB for third-order products with 200 watts PEP output per tube.
If you can't quite get the hang of tuning, or you want to "hammer" the 811 amplifier amplifier with long average-power modes or use a lot of processing on voice, tubes will be the weak point. It is perfectly acceptable to replace the 811 tubes with three or four 572B tubes in the AL811 or AL811H respectively to increase duty cycle and tube reliability. While you should NOT run more output, duty cycle can be greatly increased without hurting tube life.
Common Failures
The single largest problem with the AL811 amps is tubes. Most tube failures, as mentioned above, are caused by poor tube manufacturing and operators who don't quite tune fast enough or well enough, or operators who use high duty cycle modes. The 811 tube needs short tuning periods with at least equal time, or longer, to cool between carrier periods. Remember it is the plate dissipation averaged over time periods of 15 seconds or longer that cause tube heating failure problems.
When the tubes arc, the arc path is from anode to grid. If the grid resistor opens, the grid no longer provides a grounded barrier that shields the filament from anode voltage. This can allow the filament to pull to a high voltage of 1000 volts or more.
In the 90's, Ameritron added MOV's from the filament wires to ground near the filament choke bypasses. This helped protect the exciter and parts inside the AL811. These MOV's, along with R19-R22, RL1B, and D16 sometimes fail. My suggestion is the grid circuit be reworked to eliminate R19-22 and directly ground the grids with the shortest possible leads, and that gas clamp tubes of about 150 volts or slightly less be added. Link to AL811 mod.
This mod is also similar to the AL572 mods at this page.
If the grid and plate meter track and show similar deflection, D16 is often the cause. D16 is the metering protection diode, and it fails from tube arcs.
If the amplifier shows anode current without being keyed but meters are normal, RL1B has welded.
If the amplifier shows anode current without being keyed but the grid meter reads backwards, the most likely cause is a tube shorted from filament to grid.
If the amplifier operates normally but shows some bounding or changing plate current in all operating configurations, it is possible and common that S4 (HV/IP switch) has dirty contacts. S4 can be cleaned by disconnecting the cables and CAREFULLY lay the amp on its rear panel (face up) on a thick cushion. Use WD40 carefully applied through a spray tube. Carefully and slowly flood the switch from the front panel side with a little WD40 while clicking the switch back and forth many times. This will wet the contact paste inside the switch and wipe the contacts clean.